Demandez un devis ! et obtenez la meilleure offre personnalisée !

Écrivez-nous sur WhatsApp : +39 0825-1494022 | Centre d'appels

-10% con il codice: WELCOME

Cette promotion n'est pas valable sur les produits en promotion ou les offres combinées.

Bernardo  |  SKU : 21-5002

Accessoire pour machine-outil Bernardo Plateau K72 - 125

€168,66 (20% TVA incluse)
Solution commerciale jusqu'à 30 échéances

Livraison et expédition

Chez Krollit, nous garantissons un processus d'expédition sûr et fiable. Les commandes sont traitées avec le plus grand soin et une traçabilité totale jusqu'à la livraison.

Pour les expéditions internationales, nous vous invitons à envoyer votre demande via le formulaire de contact approprié.

À la livraison, toujours signer le bon de livraison avec la mention "sous réserve de contrôle", afin de permettre la bonne gestion d'éventuelles irrégularités ou non-conformités du produit.

Notre objectif est de vous assurer un service ponctuel et une expérience d'achat sereine.

Description

Bernardo Plate-forme K72 - 125 est un accessoire pour machine-outil à usage professionnel, pesant 4,90 kg. Krollit, distributeur officiel Bernardo depuis 2007.

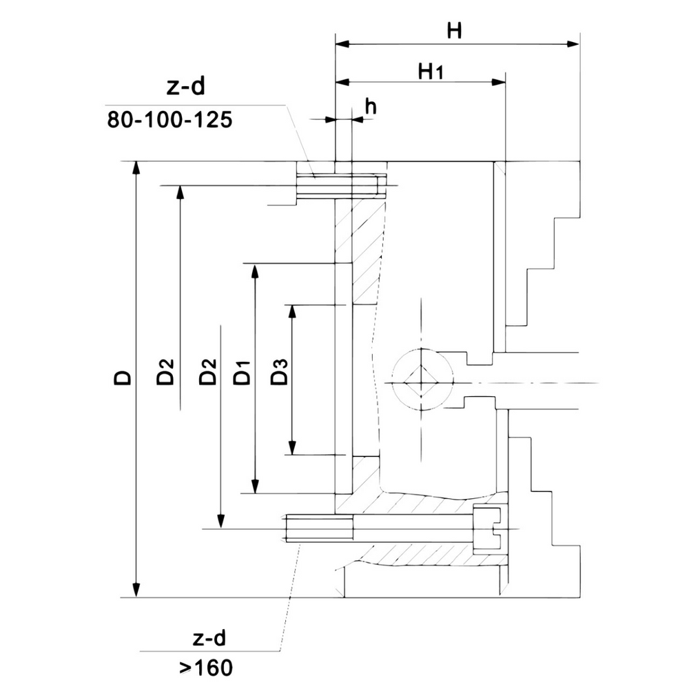
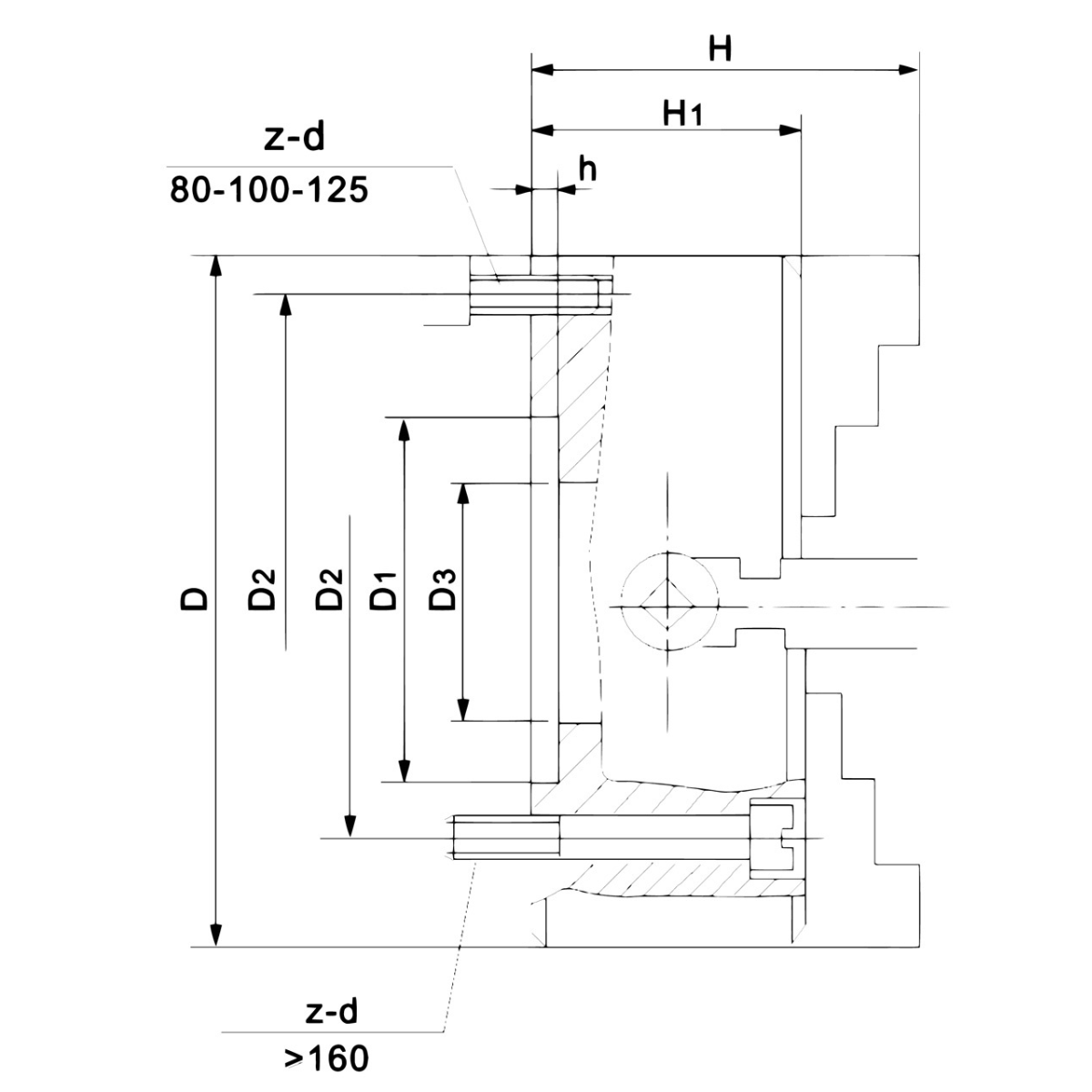
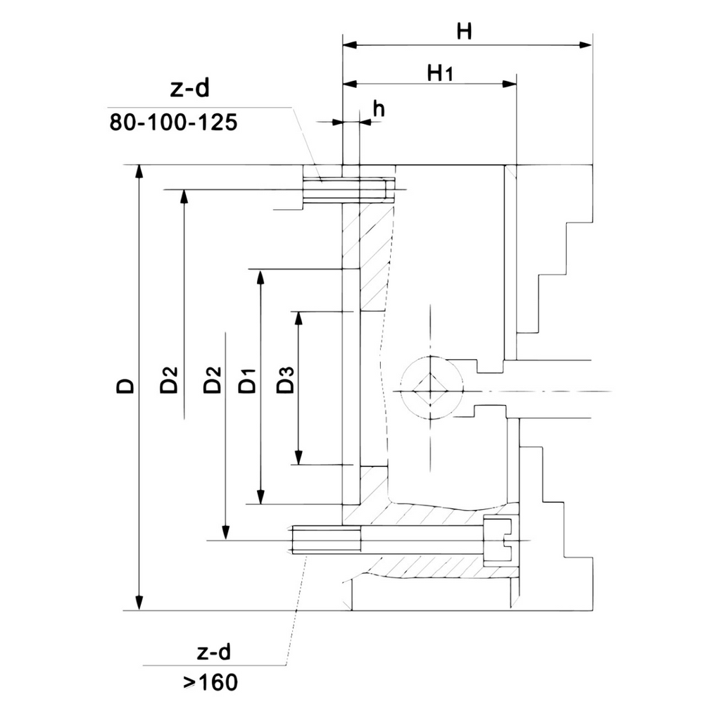
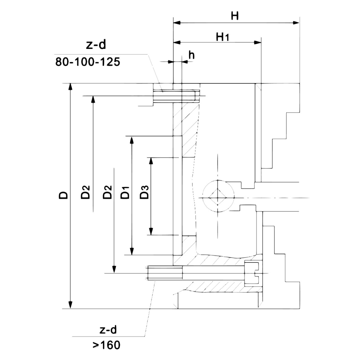
  • D - Taille du mandrin : 125
  • D1 : 95 mm
  • D2 : 108 mm
  • D3 : 30 mm
  • h : 78 mm
  • H1 : 56 mm

Qui utilise la Plate-forme K72 - 125 et pourquoi

Les utilisateurs possédant la machine compatible installent la Plate-forme K72 - 125 comme accessoire d'origine pour étendre les fonctionnalités ou remplacer les composants usés.

Sa place dans la gamme Bernardo

La Plate-forme K72 - 125 de Bernardo fait partie de la gamme d'accessoires pour machines-outils Bernardo, distribuée en Italie par Krollit depuis 2007. La gamme Bernardo comprend des modèles de différentes catégories et performances : pour choisir la machine adaptée à votre cas d'utilisation, vous pouvez consulter le catalogue Bernardo sur Krollit ou contacter le service client pour obtenir de l'aide dans votre sélection.

Logistique et support Krollit

Expédition sous 3 à 5 jours ouvrables depuis l'entrepôt Krollit pour les pièces de rechange et les accessoires. Assistance client en italien disponible pour la documentation technique et la vérification de la compatibilité avec la machine de référence. Krollit est distributeur officiel depuis 2007.

À qui s'adresse la Plate-forme K72 - 125

La plate-forme K72 - 125 est recommandée pour les profils professionnels suivants :

  • Utilisateurs possédant la machine compatible : accessoire d'origine pour étendre les fonctionnalités de la machine indiquée.
  • Ateliers ayant des exigences de configuration spécifiques : composant pour des usinages particuliers ou une augmentation de la précision.
  • Compatibilité avec des machines d'autres marques ou modèles : vérifier le modèle de machine et les spécifications avant l'achat.

Spécifications techniques

D1 95 mm
D2 108 mm
D3 30 mm
h 78 mm
H1 56 mm
h 4,5 mm
Vis de montage 4 x M8
D - Taille du mandrin 125
Vitesse max. 2000 tr/min
Poids env. 4,90 kg

Foire aux questions

À quoi sert cette plate-forme K72 pour tour ?

Elle est utilisée avec les tours à métaux comme support d'usinage pour les opérations indiquées dans le modèle.

La compatibilité dépend du diamètre nominal (100, 125, 160, 200, 250, 320, 500, 1000, 1250 mm). Plate-forme standard K72 compatible avec les tours à bride appropriée.

Est-ce une pièce de rechange originale Bernardo ?

Oui, Krollit est distributeur officiel Bernardo depuis 2007 et ne fournit que des accessoires originaux pour les machines de son catalogue.

Les accessoires originaux offrent une intégration complète et une durée de vie conforme aux normes de la machine, tout en maintenant la garantie du fabricant.

Quelles pièces comprend le kit ?

Le nombre et le type de pièces sont indiqués dans le titre du produit (ex. "12 pièces", "M3-M16", "Ø 6-12 mm").

Les kits complets permettent de couvrir la gamme d'opérations les plus courantes sans acheter de pièces individuelles, optimisant ainsi le rapport coût/productivité.

Peut-on le monter soi-même ?

Pour les accessoires standard, le montage est autonome avec l'équipement de la machine ; pour les accessoires complexes, une installation technique est recommandée.

Krollit fournit de la documentation et un support téléphonique pour les clarifications techniques. Pour les accessoires qui modifient les paramètres de sécurité de la machine, l'intervention de techniciens qualifiés est obligatoire.

Quels sont les délais de livraison ?

Pour les produits en stock, la livraison est de 5 à 9 jours ouvrables ; pour les articles non en stock, le délai d'approvisionnement est de 3 à 6 semaines auprès du fournisseur.

Pour vérifier la disponibilité en temps réel, consultez la page du produit ou contactez Krollit au +39 0825-1494022. Expéditions en Italie avec BRT, GLS, Fercam et Dachser.

Sécurité des produits

Avis

Customer Reviews

Be the first to write a review
0%
(0)
0%
(0)
0%
(0)
0%
(0)
0%
(0)